PVC-Fenstersystem mit bewährter Technik
Das aluplast Ideal 4000 zählt seit Jahren zu den etablierten Kunststoff-Fenstersystemen im Wohnbau. Die Konstruktion basiert auf einer stabilen Profiltechnik, kombiniert mit zeitgemäßen Dämmwerten und einer langlebigen Ausführung. Damit eignet sich dieses System sowohl für Neubauten als auch für Renovierungsprojekte, bei denen Zuverlässigkeit und Wirtschaftlichkeit im Vordergrund stehen.
Warum Ideal 4000?
Bewährte Technik.
Solide Dämmleistung.
Wirtschaftlich planbar.
Das Ideal 4000 bietet eine zuverlässige Grundlage für energieeffizientes Bauen, ohne unnötige Systemkomplexität. Eine Lösung, die sich in der Praxis über viele Jahre bewährt hat.
Technische Merkmale
-
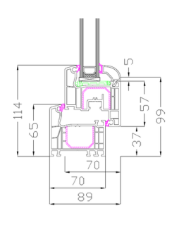
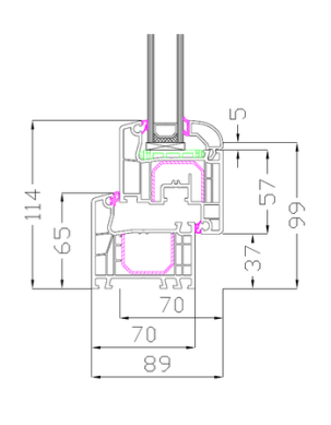
Stabile Bautiefe von 70 mm für eine robuste Grundkonstruktion
-
Mehrkammer-Profilaufbau zur Reduzierung von Wärmeverlusten
-
Gute Luft- und Schlagregendichtheit
-
Zeitgemäße Wärmedämmwerte für moderne Gebäudeanforderungen
-
Widerstandsfähige und pflegeleichte PVC-Oberflächen
Ausgelegt für dauerhafte Funktion und alltägliche Beanspruchung.
Verglasungsoptionen
Das Ideal 4000 ermöglicht Glasstärken bis etwa 42 mm und kann entsprechend den Anforderungen des Gebäudes konfiguriert werden:
-
Zweifach-Wärmeschutzverglasung
-
Dreifachverglasung für erhöhte Energieeffizienz
-
Schallschutzglas für lärmintensive Umgebungen
-
Sicherheitsglas zur Verbesserung des Einbruchschutzes
-
Sonnenschutzglas für ein angenehmes Raumklima
Damit entsteht ein ausgewogenes Verhältnis zwischen Investition und energetischem Nutzen.
Gestaltung & Ausführung
-
Dreh-, Kipp- und Dreh-Kipp-Fenster
-
Festverglasungen
-
Stulpfenster ohne störenden Mittelpfosten
-
Sonderformen wie Rundbogen, Dreieck oder Schräge
-
Breite Auswahl an Farb- und Dekorvarianten, auch in Holzoptik
Passend für klassische Wohnhäuser ebenso wie für moderne Architektur.
Einsatzbereiche
-
Neubauten mit solider energetischer Basis
-
Renovierungen und Fensteraustausch
-
Ein- und Mehrfamilienhäuser
-
Wohn- und Objektbau
Fazit
Das Ideal 4000 steht für klassische Fenstertechnik mit verlässlicher Leistung. Wer auf ein ausgereiftes System setzt, das Stabilität, Wärmedämmung und Wirtschaftlichkeit sinnvoll verbindet, trifft hier eine nachvollziehbare Entscheidung. Eine Investition in bewährte Qualität, die langfristig Bestand hat.
